Gate EE-2009 Question Paper With Solutions

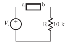
Q. 3 The following circuit has a source voltageGate EE-2009 Question Paper With Solutions as shown in the graph. The current through the circuit is also shown

Gate EE-2009 Question Paper With Solutions

Gate EE-2009 Question Paper With Solutions

Gate EE-2009 Question Paper With Solutions

Answer:(A)

Explanation:Gate EE-2009 Question Paper With Solutions

 

Learn More:   Gate EC-2016 - 2 Question Paper With Solutions

LEAVE A REPLY

Please enter your comment!
Please enter your name here