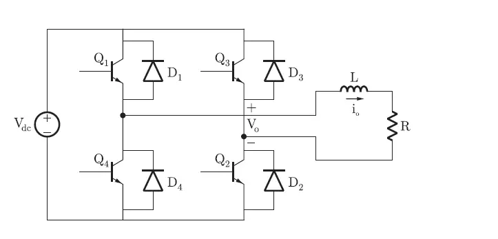
Q. 55 Appropriate transition i.e., Zero Voltage Switching (ZVS)\Zero Current Switching (ZCS) of the IGBTs during turn-on/turn-off is

(B) ZVS during turn-on
(C) ZCS during turn off
(D) ZCS during turn-on
Answer:(D)
Explanation:
Q. 55 Appropriate transition i.e., Zero Voltage Switching (ZVS)\Zero Current Switching (ZCS) of the IGBTs during turn-on/turn-off is

(B) ZVS during turn-on
(C) ZCS during turn off
(D) ZCS during turn-on
Answer:(D)
Explanation: