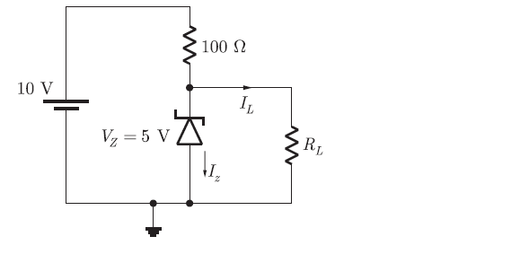
Q. 46 In the circuit shown below, the knee current of the ideal Zener dioide is 10 mA . To maintain 5 V across the minimum value of
in W and the minimum power rating of the Zener diode in
, respectively, are
(A) 125 and 125
(B) 125 and 250
(C) 250 and 125
(D) 250 and 250
Answer:(D)
Explanation:















