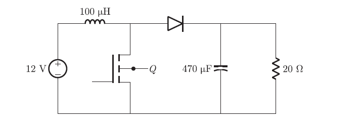
Q. 50 The Peak to Peak source current ripple in amps is In the figure shown below, the chopper feeds a resistive load from a battery source. MOSFET Q is switched at 250 kHz, with duty ratio of 0.4. All elements of the circuit are assumed to be ideal 
(B) 0.144
(C) 0.192
(D) 0.228
Answer:(A)
Explanation:












