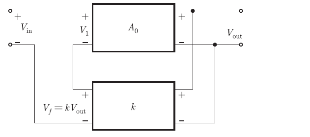
Q. 12 In a voltage-voltage feedback as shown below, which one of the following statements is TRUE if the gain k is increased?
(A) The input impedance increases and output impedance decreases
(B) The input impedance increases and output impedance also increases
(C) The input impedance decreases and output impedance also decreases
(D) The input impedance decreases and output impedance increases
Answer:(A)
Explanation :













