Gate EE-2015-1 Question Paper With Solutions
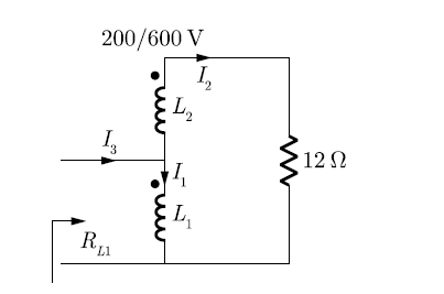
Q.54.A 200/400 V, 50 Hz, two-winding transformer is rated at 20 kVA. Its windings are connected as an auto-transformer of rating 200/600 V. A resistive load of 12Ω is connected to the high voltage (600 V) side of the auto-transformer. The value of equivalent load resistance (in Ohm) as seen from low voltage side is______
Answer:(1.3)
Explanation:














