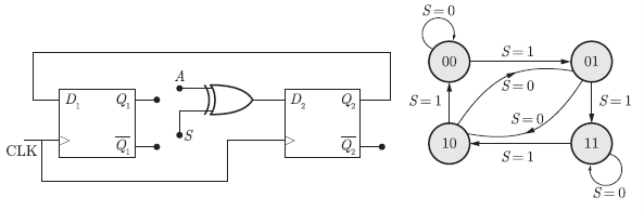
Q. 42 The digital logic shown in the figure satisfies the given state diagram when is connected to input A of the XOR gate.
Suppose the XOR gate is replaced by an XNOR gate. Which one of the following options preserves the state diagram ?
(A) Input A is connected to
(B) Input A is connected to
(C) Input A is connected toand S is complemented
(D) Input A is connected to
Answer: D
Explanation:














