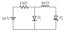
Q. 9 In the figure, assume that the forward voltage drops of the PN diode and Schottky diode
are 0.7 V and 0.3 V, respectively. If ON denotes conducting state of the diode and OFF denotes non-conducting state of the diode, then in the circuit,
Answer: D
Explanation:

















