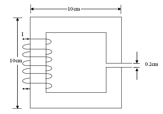
Q.37 The magnetic circuit shown below has uniform cross-sectional area and air gap of 0.2 cm. The mean path length of the core is 40 cm. Assume that leakage and fringing fluxes are negligible.
When the core relative permeability is assumed to be infinite, the magnetic flux density computed in the air gap is 1tesla. With same Ampere-turns, if the core relative permeability is assumed to be 1000 (linear), the flux density in tesla (round off to three decimal places) calculated in the air gap
is________.
Answer:(0.834)
Explanation:













