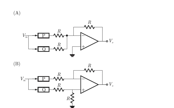
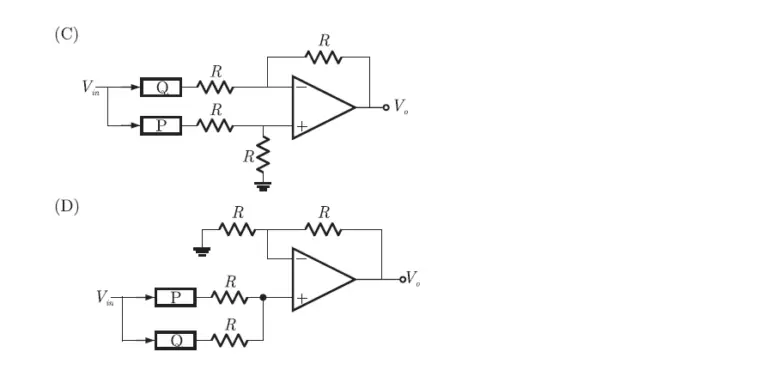
Q. 42 The block diagrams of two of half wave rectifiers are shown in the figure. The transfer characteristics of the rectifiers are also shown within the block.
It is desired to make full wave rectifier using above two half-wave rectifiers. The resultants circuit will be
Answer:(D)
Explanation:
















