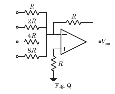
Q. 57 The circuit shown in the figure is a 4 bit DAC
The input bits 0 and 1 are represented by 0 and 5 V respectively. The OP AMP is ideal, but all the resistance and the 5 v inputs have a tolerance of . The specification (rounded to nearest multiple of 5%) for the tolerance of the DAC is
Answer: (A)
Explanation:














