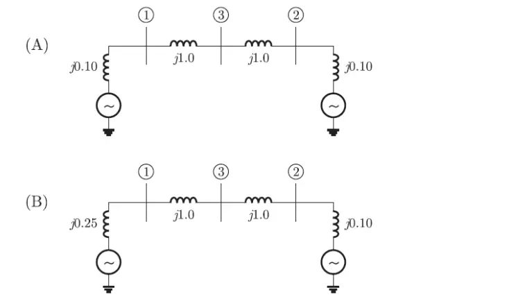
Q. 52 Two generator units and
are connected by 15 kV line with a bus at the
mid-point as shown below


Answer:(A)
Explanation:

Q. 52 Two generator units and
are connected by 15 kV line with a bus at the
mid-point as shown below


Answer:(A)
Explanation:
