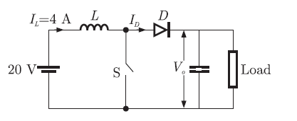
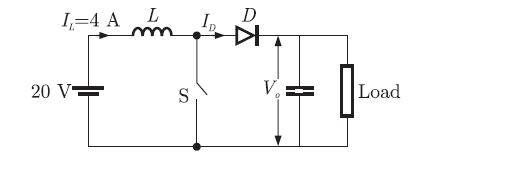
Q. 63 In the circuit shown in the figure, the switch is operated at a duty cycle of 0.5.A large capacitor is connected across the load. The inductor current is assumed to be continuous
The average voltage across the load and the average current through the diode
will respectively be
(A) 10 V, 2 A
(B) 10 V, 8 A
(C) 40 V 2 A
(D) 40 V, 8 A
Answer:(C)
Explanation:














