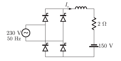
Q. 61 A single phase fully controlled converter bridge is used for electrical braking of a separately excited dc motor. The dc motor load is represented by an equivalent circuit as shown in the figure.
Assume that the load inductance is sufficient to ensure continuous and ripple free
load current. The firing angle of the bridge for a load current of
will be

Answer:(C)
Explanation:














