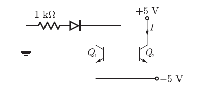
Q. 40 Two perfectly matched silicon transistor are connected as shown in the figure assuming the of the transistors to be very high and the forward voltage drop in diodes to be 0.7 V, the value of current I is
(A) 0 mA
(B) 3.6 mA
(C) 4.3 mA
(D) 5.7 mA
Answer:(C)
Explanation:













