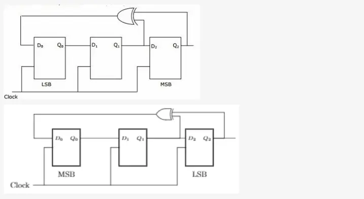
Q. 37 Consider the circuit given below with initial state Q0 =1, Q1 = Q2 = 0. The state of the circuit is given by the value 4Q2 + 2Q1 + Q
Which one of the following is the correct state sequence of the circuit?
(A) 1,3,4,6,7,5,2
(B) 1,2,5,3,7,6,4
(C) 1,2,7,3,5,6,4
(D) 1,6,5,7,2,3,4
Answer: (B)
Explanation:













